SKF 6008N轴承
SKF 6008N轴承
创建同名条目
条目
编辑
SKF
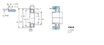
SKF 6008N轴承尺寸参数
型号:6008N轴承
品牌:
SKF轴承
系列:深沟球轴承, 单列,带止动环槽, 无密封件