SKF 53205轴承
SKF 53205轴承
创建同名条目
条目
历史版本
编辑
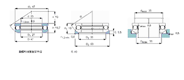
SKF 53205轴承样本图片
SKF 53205轴承尺寸参数
型号:53205轴承
品牌:
SKF
轴承
系列:推力球轴承, 单向,带球面轴承座垫圈