武汉庆德隆电气有限公司

武汉庆德隆电气有限公司
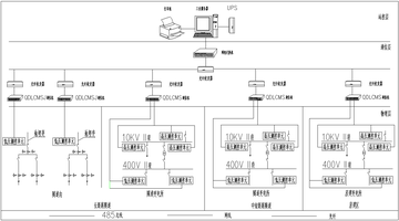
监控隧道变电所变压器、UPS、高低压配电柜等设备所有数据。监控房建变电所变压器、发电机组、UPS、高低压配电柜等设备所有数据。监控中心配电房变压器、UPS、发电机组、高低压配电柜等设备所有数据。

公司介绍

武汉庆德隆电气有限公司成立于2007年,位于武汉东湖高新技术开发区,是一家从事智能控制系统研发、生产、销售的专业电气公司。公司凭借稳定可靠的产品质量和周到的售后服务,深得用户好评。
武汉庆德隆电气有限公司致力于先进技术在隧道、桥梁、工矿企业电力系统中的应用,在智能照明、网络开关、电力仪表、微机保护、低成本集中测控、智能化电力监控系统(QDL9000)等方面均有建树。
公司研制的高质量电力保护、计量、监控装置及系统,成功应用于武重大广高速广州军区湖北广电人福医药集团华兴玻璃集团等大型工程,为客户提供完善的电力解决方案。