SKF 33122轴承
SKF 33122轴承
创建同名条目
条目
历史版本
编辑
SKF
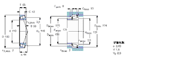
SKF 33122轴承尺寸参数
型号:33122轴承
品牌:SKF轴承
系列:圆锥滚子轴承, 单列, 公制轴承