SKF HM88542-2-510-2-QCL7C轴承
SKF HM88542-2-510-2-QCL7C轴承
创建同名条目
条目
历史版本
编辑
英制轴承
SKF
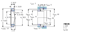
SKF HM88542-2-510-2-QCL7C轴承尺寸参数
型号:HM88542/2/510/2/QCL7C轴承
品牌:
SKF轴承
系列:圆锥滚子轴承, 单列, 英制轴承